Motor paso a paso híbrido con caja de engranajes de dientes rectos de 57mm
Motorreductor paso a paso FL57STH-60JB
Características de los modelos
Especificaciones de la caja de engranajes
| Relación | 3 | 7.5 | 12.5 | 15 | 25 | 30 | 50 | 75 | 90 | 100 | 120 | 150 | |
| Peso | 240g | 300g |
| Número de trenes de engranaje | 2 | 3 | 4 |
| Par motor nominal | 10N.m |
| Par motor final | 15N.m |
| Eficiencia | 81% | 73% | 66% |
| Juego | 4 deg | 3.5deg | 2.5deg |
Especificaciones del motorreductor
| Relación | 3 | 7.5 | 12.5 | 15 | 25 | 30 | 50 | 75 | 90 | 100 | 120 | 150 | | | |
| FL57STH41-60JB | Par motor (N.m) (a 300rpm) | 1.02 | 2.55 | 4.25 | 5.1 | 7.66 | 9.19 | --- | --- | --- | --- | --- | --- | --- | --- | --- |
| Velocidad (rpm) | 100 | 40 | 24 | 20 | 12 | 10 | --- | --- | --- | --- | | --- | --- | --- | --- |
| FL57STH51-60JB | Par motor (N.m) (a 300rpm) | 1.78 | 4.25 | 7.08 | 8.5 | --- | --- | --- | --- | --- | --- | --- | --- | --- | --- | --- |
| Velocidad (rpm) | 100 | 40 | 24 | 20 | --- | --- | --- | --- | --- | --- | --- | --- | --- | --- | --- |
| FL57STH56-60JB | Par motor (N.m) (a 300rpm) | 1.84 | 4.61 | 7.69 | 9.23 | --- | --- | --- | --- | --- | --- | --- | --- | --- | --- | --- |
| Velocidad (rpm) | 100 | 40 | 24 | 20 | --- | --- | --- | --- | --- | --- | --- | --- | --- | --- | --- |
| FL57STH76-60JB | Par motor (N.m) (a 300rpm) | 2.91 | 7.29 | --- | --- | --- | --- | --- | --- | --- | --- | --- | --- | --- | --- | --- |
| Velocidad (rpm) | 100 | 40 | --- | --- | --- | --- | --- | --- | --- | --- | --- | --- | --- | --- | --- |
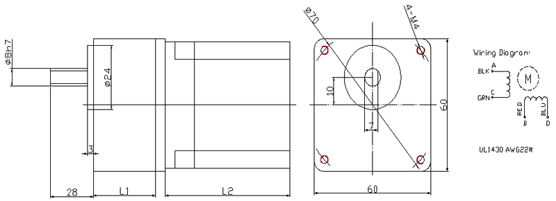
Dimensiones
| RELACIÓN | L2(mm) | L1(mm) |
| FL57STH41-60JB | FL57STH51-60JB | FL57STH56-60JB | FL57STH76-60JB |
| 3---15 | 40 | 50 | 55 | 75 | 32 |
| 25--150 | 40 |